FY->Module-6 : Cells and Batteries - Practice Mode

1) What is the Electro Chemical Equivalent (ECE) of copper? | ತಾಮ್ರದ ಎಲೆಕ್ಟ್ರೋ ರಾಸಾಯನಿಕ ಸಮಾನತೆ (ECE) ಎಂದರೇನು?
Correct Answer: 0.329 mg/coulomb
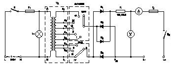
2) What is the function of fine selector switch in battery charger? | ಬ್ಯಾಟರಿ ಚಾರ್ಜರ್‌ನಲ್ಲಿ ಫೈನ್ ಸೆಲೆಕ್ಟರ್ ಸ್ವಿಚ್‌ನ ಕಾರ್ಯವೇನು?
Question Image
Correct Answer: Selection of current rating | ಪ್ರಸ್ತುತ ರೇಟಿಂಗ್ ಆಯ್ಕೆ
3) How the local action defect is prevented in voltaic cell? | ವೋಲ್ಟಾಯಿಕ್ ಸೆಲ್‌ನಲ್ಲಿ ಸ್ಥಳೀಯ ಕ್ರಿಯೆಯ ದೋಷವನ್ನು ಹೇಗೆ ತಡೆಯಲಾಗುತ್ತದೆ?
Correct Answer: By amalgamating the zinc plate | ಸತು ಫಲಕವನ್ನು ಒಟ್ಟುಗೂಡಿಸಿ
4) Which is used as an electrolyte in lead acid battery? | ಲೀಡ್ ಆಯ್ಸಿಡ್ ಬ್ಯಾಟರಿಯಲ್ಲಿ ವಿದ್ಯುದ್ವಿಚ್ಛೇದ್ಯವಾಗಿ ಬಳಸಿದ ಪದಾರ್ಥ ಯಾವುದು?
Correct Answer: Diluted sulphuric acid | ದುರ್ಬಲ ಗಂಧಕದ ಆಮ್ಲ
5) Which is used as a positive electrode in a dry cell? | ಒಣ ಕೋಶದಲ್ಲಿ ಸಕಾರಾತ್ಮಕ ವಿದ್ಯುದ್ವಾರವಾಗಿ ಬಳಸಲ್ಪಡುತ್ತಿರುವ ಯಾವುದು?
Correct Answer: Carbon | ಕಾರ್ಬನ್