FY->Module-11 : Domestic appliances - Practice Mode

1) What is the name of the part of electric iron as shown in the figure? | ಚಿತ್ರದಲ್ಲಿ ತೋರಿಸಿರುವಂತೆ ಎಲೆಕ್ಟ್ರಿಕ್ ಕಬ್ಬಿಣದ ಭಾಗದ ಹೆಸರೇನು?
Question Image
Correct Answer: Sole plate | ಏಕೈಕ ಫಲಕ
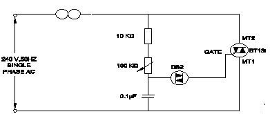
2) What is the name of the circuit as shown in the figure? | ಚಿತ್ರದಲ್ಲಿ ತೋರಿಸಿರುವಂತೆ ಸರ್ಕ್ಯೂಟ್‌ನ ಹೆಸರೇನು?
Question Image
Correct Answer: Electronic fan regulator | ವಿದ್ಯುನ್ಮಾನ ಅಭಿಮಾನಿ ನಿಯಂತ್ರಕ
4) What is the reason for the AC table fan runs very hot? | AC ಟೇಬಲ್ ಫ್ಯಾನ್ ಹೆಚ್ಚು ಬಿಸಿಯಾಗಲು ಕಾರಣವೇನು?
Correct Answer: Defective starting winding | ದೋಷಯುಕ್ತ ಆರಂಭಿಕ ಅಂಕುಡೊಂಕಾದ
5) Which is the position for maximum output of the heater? | ಹೀಟರ್ನ ಗರಿಷ್ಠ ಉತ್ಪಾದನೆಯ ಸ್ಥಾನ ಯಾವುದು?
Question Image
Correct Answer: Position 2