www.ITISkill.com
Home
SY->Module-4 : AC Single Phase Motor - Quiz
Categories
Electrician
SY->Module-4 : AC Single Phase Motor
1) What is the effect, if some slots of a split phase motor are left out without winding after completion of concentric winding? | ಏಕಕೇಂದ್ರಕ ಅಂಕುಡೊಂಕಾದ ನಂತರ ಸ್ಪ್ಲಿಟ್ ಫೇಸ್ ಮೋಟರ್ನ ಕೆಲವು ಸ್ಲಾಟ್ಗಳನ್ನು ವಿಂಡ್ ಮಾಡದೆಯೇ ಬಿಟ್ಟರೆ ಪರಿಣಾಮ ಏನು?
Works normally | ಸಾಮಾನ್ಯವಾಗಿ ಕೆಲಸ ಮಾಡುತ್ತದೆ
Reduction in speed | ವೇಗದಲ್ಲಿ ಕಡಿತ
Reduction in torque | ಟಾರ್ಕ್ನಲ್ಲಿ ಕಡಿತ
Runs with very high speed | ಅತಿ ವೇಗದಲ್ಲಿ ರನ್ ಆಗುತ್ತದೆ
2) How the direction of rotation of repulsion motors is to be reversed? | ವಿಕರ್ಷಣ ಮೋಟಾರ್ಗಳನ್ನು ಸುತ್ತುವ ದಿಕ್ಕು ತಿರುಗಿಸುವುದು ಹೇಗೆ?
By shifting the brush-axis | ಕುಂಚ-ಅಕ್ಷವನ್ನು ಬದಲಾಯಿಸುವ ಮೂಲಕ
By interchanging the supply terminals | ಪೂರೈಕೆ ಟರ್ಮಿನಲ್ಗಳನ್ನು ವಿನಿಮಯ ಮಾಡಿಕೊಳ್ಳುವ ಮೂಲಕ
By changing the main winding terminals | ಮುಖ್ಯ ಅಂಕುಡೊಂಕಾದ ಟರ್ಮಿನಲ್ಗಳನ್ನು ಬದಲಾಯಿಸುವ ಮೂಲಕ
By changing the compensating winding terminals | ಸರಿದೂಗಿಸುವ ಅಂಕುಡೊಂಕಾದ ಟರ್ಮಿನಲ್ಗಳನ್ನು ಬದಲಾಯಿಸುವ ಮೂಲಕ
3) How the radio interference can be suppressed in the single phase capacitor start motor? | ಸಿಂಗಲ್ ಫೇಸ್ ಕೆಪಾಸಿಟರ್ ಸ್ಟಾರ್ಟ್ ಮೋಟಾರ್ನಲ್ಲಿ ರೇಡಿಯೋ ಹಸ್ತಕ್ಷೇಪವನ್ನು ಹೇಗೆ ನಿಗ್ರಹಿಸಬಹುದು?
By connecting capacitor across centrifugal switch | ಕೇಂದ್ರಾಪಗಾಮಿ ಸ್ವಿಚ್ನ ಮೂಲಕ ಕೆಪಾಸಿಟರ್ ಅನ್ನು ಸಂಪರ್ಕಿಸುವ ಮೂಲಕ
By connecting capacitor in series with centrifugal switch | ಕೇಪಾಸಿಟರ್ ಸರಣಿಯಲ್ಲಿ ಕೇಂದ್ರಾಪಗಾಮಿ ಸ್ವಿಚ್ನೊಂದಿಗೆ ಸಂಪರ್ಕಿಸುವ ಮೂಲಕ
By connecting an resistor in series with centrifugal switch | ಕೇಂದ್ರಾಪಗಾಮಿ ಸ್ವಿಚ್ನೊಂದಿಗೆ ಸರಣಿಯಲ್ಲಿ ರೆಸಿಸ್ಟರ್ ಅನ್ನು ಸಂಪರ್ಕಿಸುವ ಮೂಲಕ
By connecting an inductor in series with centrifugal switch | ಕೇಂದ್ರಾಪಗಾಮಿ ಸ್ವಿಚ್ನೊಂದಿಗೆ ಸರಣಿಯಲ್ಲಿ ಇಂಡಕ್ಟರ್ ಅನ್ನು ಸಂಪರ್ಕಿಸುವ ಮೂಲಕ
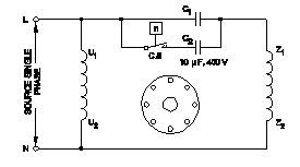
4) Which type of single phase motor is illustrated as shown in the diagram? | ರೇಖಾಚಿತ್ರದಲ್ಲಿ ತೋರಿಸಿರುವಂತೆ ಯಾವ ರೀತಿಯ ಸಿಂಗಲ್ ಫೇಸ್ ಮೋಟರ್ ಅನ್ನು ವಿವರಿಸಲಾಗಿದೆ?
Universal motor | ಯುನಿವರ್ಸಲ್ ಮೋಟಾರ್
Permanent capacitor motor | ಶಾಶ್ವತ ಕೆಪಾಸಿಟರ್ ಮೋಟಾರ್
Capacitor start induction run motor | ಕೆಪಾಸಿಟರ್ ಆರಂಭದ ಪ್ರವೇಶ ರನ್ ಮೋಟಾರ್
Capacitor start capacitor run motor | ಕೆಪಾಸಿಟರ್ ಸ್ಟಾರ್ಟ್ ಕೆಪಾಸಿಟರ್ ರನ್ ಮೋಟಾರ್
5) What is the working principle of single phase induction motor? | ಒಂದೇ ಹಂತದ ಪ್ರವೇಶ ಮೋಟಾರ್ದ ಕಾರ್ಯ ತತ್ವ ಯಾವುದು?
Ohmʹs law | ಓಮ್ ನ ನಿಯಮ
Joule’s law | ಜೌಲ್ನ ಕಾನೂನು
Faraday’s laws of electrolysis | ಫ್ಯಾರಡೆಯ ವಿದ್ಯುದ್ವಿಭಜನೆಯ ನಿಯಮಗಳು
Faraday’s laws of electromagnetic induction | ಎಲೆಕ್ಟ್ರೋಮ್ಯಾಗ್ನೆಟಿಕ್ ಇಂಡಕ್ಷನ್ ನ ಫ್ಯಾರಡೆಯ ನಿಯಮಗಳು
Submit Quiz