www.ITISkill.com
Home
SY->Module-4 : AC Single Phase Motor - Quiz
Categories
Electrician
SY->Module-4 : AC Single Phase Motor
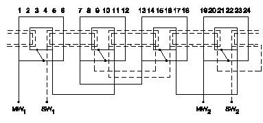
1) What is the name of the winding as shown in the figure? | ಚಿತ್ರದಲ್ಲಿ ತೋರಿಸಿರುವಂತೆ ಅಂಕುಡೊಂಕಾದ ಹೆಸರೇನು?
Mesh shaped coil winding | ಮೆಶ್ ಆಕಾರದ ಕಾಯಿಲ್ ವಿಂಡಿಂಗ್
Diamond mesh shaped coil winding | ಡೈಮಂಡ್ ಮೆಶ್ ಆಕಾರದ ಕಾಯಿಲ್ ವಿಂಡಿಂಗ್
Concentric coil winding | ಕೇಂದ್ರೀಕೃತ ಕಾಯಿಲ್ ವಿಂಡಿಂಗ್
Basket winding | ಬ್ಯಾಸ್ಕೆಟ್ ವಿಂಡಿಂಗ್
2) What is the name of the AC single phase motor as shown in the diagram? | ರೇಖಾಚಿತ್ರದಲ್ಲಿ ತೋರಿಸಿರುವಂತೆ AC ಸಿಂಗಲ್ ಫೇಸ್ ಮೋಟರ್ನ ಹೆಸರೇನು?
Universal motor | ಯುನಿವರ್ಸಲ್ ಮೋಟಾರ್
Permanent capacitor motor | ಶಾಶ್ವತ ಕೆಪಾಸಿಟರ್ ಮೋಟಾರ್
Shaded pole motor | ಮಬ್ಬಾದ ಪೋಲ್ ಮೋಟಾರ್
Repulsion motor | ವಿಕರ್ಷಣ ಮೋಟಾರ್
3) What is the name of single phase motor as shown below? | ಕೆಳಗೆ ತೋರಿಸಿರುವಂತೆ ಸಿಂಗಲ್ ಫೇಸ್ ಮೋಟಾರಿನ ಹೆಸರೇನು?
Permanent capacitor motor | ಶಾಶ್ವತ ಕೆಪಾಸಿಟರ್ ಮೋಟಾರ್?
Induction start capacitor run motor | ಇಂಡಕ್ಷನ್ ಪ್ರಾರಂಭದ ಕ್ಯಾಪಾಸಿಟರ್ ರನ್ ಮೋಟಾರ್
Capacitor start capacitor run motor | ಕೆಪಾಸಿಟರ್ ಸ್ಟಾರ್ಟ್ ಕೆಪಾಸಿಟರ್ ರನ್ ಮೋಟಾರ್
Capacitor start induction run motor | ಕೆಪಾಸಿಟರ್ ಆರಂಭದ ಪ್ರವೇಶ ರನ್ ಮೋಟಾರ್
4) What is the electrical degree between main winding and auxiliary winding in a split phase induction motor? | ಸ್ಪ್ಲಿಟ್ ಫೇಸ್ ಮೋಟರ್ನ ಕೆಲಸದ ತತ್ವ ಏನು?
90°
120°
45°
180°
5) Why a capacitor is connected across the centrifugal switch in the single phase capacitor start motor? | ಸಿಂಗಲ್ ಫೇಸ್ ಕೆಪಾಸಿಟರ್ ಸ್ಟಾರ್ಟ್ ಮೋಟರ್ನಲ್ಲಿ ಕೇಂದ್ರಾಪಗಾಮಿ ಸ್ವಿಚ್ನಾದ್ಯಂತ ಕೆಪಾಸಿಟರ್ ಅನ್ನು ಏಕೆ ಸಂಪರ್ಕಿಸಲಾಗಿದೆ?
To maintain constant speed | ನಿರಂತರ ವೇಗವನ್ನು ನಿರ್ವಹಿಸಲು
To protect from over loading | ಲೋಡ್ ಆಗುವುದನ್ನು ರಕ್ಷಿಸಲು
To improve the power factor | ವಿದ್ಯುತ್ ಅಂಶವನ್ನು ಸುಧಾರಿಸಲು
To reduce the sparks in contacts | ಸಂಪರ್ಕಗಳಲ್ಲಿ ಸ್ಪಾರ್ಕ್ಗಳನ್ನು ಕಡಿಮೆ ಮಾಡಲು
Submit Quiz