www.ITISkill.com
Home
SY->Module-7 : Electronic Practice - Quiz
Categories
Electrician
SY->Module-7 : Electronic Practice
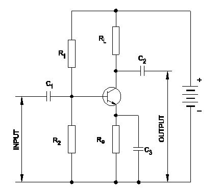
1) What is the name of the amplifier as shown in the circuit? | ಸರ್ಕ್ಯೂಟ್ನಲ್ಲಿ ತೋರಿಸಿರುವಂತೆ ಆಂಪ್ಲಿಫೈಯರ್ನ ಹೆಸರೇನು?
Current amplifier | ಕರೆಂಟ್ ಆಂಪ್ಲಿಫಯರ್
Voltage amplifier | ವೋಲ್ಟೇಜ್ ಆಂಪ್ಲಿಫಯರ್
Power amplifier | ಪವರ್ ಆಂಪ್ಲಿಫಯರ್
Small signal amplifier | ಸಣ್ಣ ಸಿಗ್ನಲ್ ಆಂಪ್ಲಿಫಯರ್
2) What is the name of the resistor as shown in the figure? | ಚಿತ್ರದಲ್ಲಿ ತೋರಿಸಿರುವಂತೆ ರೆಸಿಸ್ಟರ್ನ ಹೆಸರೇನು?
Wire wound fixed resistor | ವೈರ್ ವೂಂಡ್ ಸ್ಥಿರ ಪ್ರತಿರೋಧಕ
Carbon resistor | ಕಾರ್ಬನ್ ರೆಸಿಸ್ಟರ್
Trimmer resistor | ಟ್ರಿಮ್ಮರ್ ರೆಸಿಸ್ಟರ್
Wire wound variable resistor | ವೈರ್ ವೂಂಡ್ ವೇರಿಯಬಲ್ ರೆಸಿಸ್ಟರ್
3) Which resistor determines the voltage gain in a common emitter amplifier as shown in the circuit? | ಸರ್ಕ್ಯೂಟ್ನಲ್ಲಿ ತೋರಿಸಿರುವಂತೆ ಸಾಮಾನ್ಯ ಹೊರಸೂಸುವ ಆಂಪ್ಲಿಫೈಯರ್ನಲ್ಲಿ ವೋಲ್ಟೇಜ್ ಗಳಿಕೆಯನ್ನು ಯಾವ ಪ್ರತಿರೋಧಕ ನಿರ್ಧರಿಸುತ್ತದೆ?
R₁
R₂
RL
Re
4) Which quantity can be measured by CRO? | ಸಿಆರ್ಒನಿಂದ ಯಾವ ಪ್ರಮಾಣವನ್ನು ಅಳೆಯಬಹುದು?
Frequency | ಆವರ್ತನ
Inductance | ಇಂಡಕ್ಟನ್ಸ್
Resistance | ಪ್ರತಿರೋಧ
Power factor | ವಿದ್ಯುತ್ ಅಂಶ
5) What is the output voltage if the centre tap of the transformer is open circuited in a full wave rectifier circuit? | ಟ್ರಾನ್ಸ್ಫಾರ್ಮರ್ನ ಸೆಂಟರ್ ಟ್ಯಾಪ್ ಫುಲ್ ವೇವ್ ರಿಕ್ಟಿಫೈಯರ್ ಸರ್ಕ್ಯೂಟ್ನಲ್ಲಿ ತೆರೆದ ಸರ್ಕ್ಯೂಟ್ ಆಗಿದ್ದರೆ ಔಟ್ಪುಟ್ ವೋಲ್ಟೇಜ್ ಏನು?
Zero voltage | ಶೂನ್ಯ ವೋಲ್ಟೇಜ್
Full rated output | ಪೂರ್ಣ ದರದ ಔಟ್ಪುಟ್
Half of the rated output | ರೇಟ್ ಮಾಡಿದ ಔಟ್ಪುಟ್ನ ಅರ್ಧದಷ್ಟು
One fourth of rated output | ರೇಟ್ ಮಾಡಿದ ಔಟ್ಪುಟ್ ನಾಲ್ಕನೇ ಒಂದು ಭಾಗ
Submit Quiz