SY->Module-8 : Control panel wiring - Practice Mode

1) Why the motor is contunious in the same direction if the reverse push button is pressed in the forward and reverse star delta stater? | ಫಾರ್ವರ್ಡ್ ಮತ್ತು ರಿವರ್ಸ್ ಸ್ಟಾರ್ ಡೆಲ್ಟಾ ಸ್ಟೇಟರ್‌ನಲ್ಲಿ ರಿವರ್ಸ್ ಪುಶ್ ಬಟನ್ ಒತ್ತಿದರೆ ಮೋಟಾರು ಒಂದೇ ದಿಕ್ಕಿನಲ್ಲಿ ಏಕೆ ಕಂಟ್ಯೂನಿಯಸ್ ಆಗಿರುತ್ತದೆ?
Correct Answer: Due to interlock in reverse contactor | ರಿವರ್ಸ್ ಕಾಂಟಾಕ್ಟರ್‌ನಲ್ಲಿ ಇಂಟರ್ಲಾಕ್ ಕಾರಣ
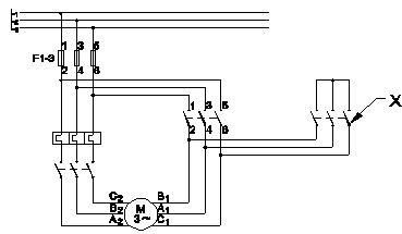
2) What is the name of the contactor marked as ʹxʹ in the star delta starter as shown in the figure? | ಚಿತ್ರದಲ್ಲಿ ತೋರಿಸಿರುವಂತೆ ಸ್ಟಾರ್ ಡೆಲ್ಟಾ ಸ್ಟಾರ್ಟರ್‌ನಲ್ಲಿ ʹxʹ ಎಂದು ಗುರುತಿಸಲಾದ ಕಾಂಟ್ಯಾಕ್ಟರ್‌ನ ಹೆಸರೇನು?
Question Image
Correct Answer: Star contactor | ಸ್ಟಾರ್ ಕಾಂಟಾಕ್ಟರ್
3) Which circuit breaker is used as a switch and protective device in the domestic wiring circuit? | ದೇಶೀಯ ವೈರಿಂಗ್ ಸರ್ಕ್ಯೂಟ್‌ನಲ್ಲಿ ಯಾವ ಸರ್ಕ್ಯೂಟ್ ಬ್ರೇಕರ್ ಅನ್ನು ಸ್ವಿಚ್ ಮತ್ತು ರಕ್ಷಣಾತ್ಮಕ ಸಾಧನವಾಗಿ ಬಳಸಲಾಗುತ್ತದೆ?
Correct Answer: Miniature circuit breaker | ಚಿಕಣಿ ಸರ್ಕ್ಯೂಟ್ ಬ್ರೇಕರ್
5) What is the name of accessory used in control panel wiring as shown in the figure? | ಚಿತ್ರದಲ್ಲಿ ತೋರಿಸಿರುವಂತೆ ಕಂಟ್ರೋಲ್ ಪ್ಯಾನಲ್ ವೈರಿಂಗ್‌ನಲ್ಲಿ ಬಳಸಲಾಗುವ ಪರಿಕರಗಳ ಹೆಸರೇನು?
Question Image
Correct Answer: Grommet | ಗ್ರೊಮೆಟ್