FY->Module-6 : Fitting Assembly - Practice Mode

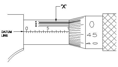
1) What is the name of the part marked as ‘X’ shown in the figure? | ಚಿತ್ರದಲ್ಲಿ ತೋರಿಸಿರುವ ʹXʹ ಎಂದು ಗುರುತಿಸಲಾದ ಭಾಗದ ಹೆಸರೇನು?
Question Image
Correct Answer: Vernier division | ವರ್ನಿಯರ್ ಡಿವಿಷನ್
2) Which fasteners joins two or more components and can be dismantled without any damaging? | ಯಾವ ಫಾಸ್ಟೆನರ್‌ಗಳು ಎರಡು ಅಥವಾ ಹೆಚ್ಚಿನ ಕಾಂಪೋನೆಂಟ್ಗಳನ್ನು ಸೇರುತ್ತವೆ ಮತ್ತು ಯಾವುದೇ ಹಾನಿಯಾಗದಂತೆ ತೆಗೆಯಬಹುದು?
Correct Answer: Temporary fasteners | ತಾತ್ಕಾಲಿಕ ಫಾಸ್ಟೆನರ್ಗಳು
3) Why the measuring instruments are calibrated? | ಅಳತೆ ಉಪಕರಣಗಳನ್ನು ಏಕೆ ಕ್ಯಾಲಿಬ್ರೇಟ್ ಮಾಡಲಾಗುತ್ತದೆ?
Correct Answer: To maintain the accuracy of the measuring device | ಅಳತೆ ಸಾಧನದ ನಿಖರತೆಯನ್ನು ಕಾಪಾಡಿಕೊಳ್ಳಲು
4) Which instrument has the magnification of the small movement of the plunger converted into a rotary motion of the pointer on a circular scale? | ಯಾವ ಉಪಕರಣವು ಪ್ಲಂಗರ್‌ನ ಸಣ್ಣ ಚಲನೆಯ ವರ್ಧನೆಯು ವೃತ್ತಾಕಾರದ ಪ್ರಮಾಣದಲ್ಲಿ ಪಾಯಿಂಟರ್‌ನ ರೋಟರಿ ಚಲನೆಯಾಗಿ ಪರಿವರ್ತನೆಗೊಂಡಿದೆ?
Correct Answer: Dial test indicator | ಡಯಲ್ ಟೆಸ್ಟ್ ಇಂಡಿಕೇಟರ್
5) Which fastenersʹ components cannot be separated without any damage? | ಯಾವ ಫಾಸ್ಟೆನರ್ ಕಾಂಪೋನೆಂಟ್ಗಳನ್ನು ಯಾವುದೇ ಹಾನಿಯಾಗದಂತೆ ಬೇರ್ಪಡಿಸಲಾಗುವುದಿಲ್ಲ?
Correct Answer: Permanent fasteners | ಶಾಶ್ವತ ಫಾಸ್ಟೆನರ್ಗಳು