www.ITISkill.com
Home
FY->Module-7 : Turning - Quiz
Categories
Fitter
FY->Module-7 : Turning
1) Which tool materials are manufactured by powder metallurgy technique? | ಪೌಡರ್ ಮೆಟಲರ್ಜಿ ತಂತ್ರದಿಂದ ಯಾವ ಸಾಧನ ಸಾಮಗ್ರಿಗಳನ್ನು ತಯಾರಿಸಲಾಗುತ್ತದೆ?
Carbides | ಕಾರ್ಬೈಡ್ಗಳು
High speed steel | ಹೈ ಸ್ಪೀಡ್ ಸ್ಟೀಲ್
High carbon steel | ಹೈ ಕಾರ್ಬನ್ ಸ್ಟೀಲ್
Medium carbon steel | ಮೀಡಿಯಂ ಕಾರ್ಬನ್ ಸ್ಟೀಲ್
2) What is the purpose of top slide in lathe? | ಲೇಥಲ್ಲಿ ಟಾಪ್ ಸ್ಲೈಡ್ನ ಉದ್ದೇಶವೇನು?
Supports tool post with cutting tool | ಕತ್ತರಿಸುವ ಉಪಕರಣದೊಂದಿಗೆ ಟೂಲ್ ಪೋಸ್ಟ್ ಅನ್ನು ಬೆಂಬಲಿಸಲು
Provides cross movement for the tool | ಉಪಕರಣಕ್ಕೆ ಅಡ್ಡ ಚಲನೆಯನ್ನು ಒದಗಿಸುತ್ತದೆ
To hold drill | ಡ್ರಿಲ್ ಹಿಡಿದಿಡಲು
To support the lengthy works | ಸುದೀರ್ಘವಾದ ವರ್ಕ್ ಬೆಂಬಲಿಸಲು
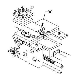
3) What is the name of the part marked as ‘X’shown in the figure? | ಚಿತ್ರದಲ್ಲಿ ತೋರಿಸಿರುವ ʹXʹ ಎಂದು ಗುರುತಿಸಲಾದ ಭಾಗದ ಹೆಸರೇನು?
Tool post | ಟೂಲ್ ಪೋಸ್ಟ್
Top slide | ಟಾಪ್ ಸ್ಲೈಡ್
Cross slide | ಕ್ರಾಸ್ ಸ್ಲೈಡ್
Saddle lock | ಸ್ಯಾಡ್ಡಲ್ ಲಾಕ್
4) Which angle of the tool prevents while parting from getting jammed in the groove and causes breakage? | ಉಪಕರಣದ ಯಾವ ಕೋನವು ಬೇರ್ಪಡಿಸುವಾಗ ಗ್ರೂವ್ ನಲ್ಲಿ ಜ್ಯಾಮ್ ಆಗುವುದನ್ನು ತಡೆಯುತ್ತದೆ ಮತ್ತು ಒಡೆಯುವಿಕೆಯನ್ನು ತಡೆಯುತ್ತದೆ?
Side rake angle | ಸೈಡ್ ರೇಕ್ ಆಂಗಲ್
Side relief angle | ಸೈಡ್ ರಿಲೀಫ್ ಆಂಗಲ್
Side clearance angle | ಸೈಡ್ ಕ್ಲಿಯರೆನ್ಸ್ ಆಂಗಲ್
Front clearance angle | ಫ್ರಂಟ್ ಕ್ಲಿಯರೆನ್ಸ್ ಆಂಗಲ್
5) What is the unit of the cutting speed in turning? | ಟರ್ನಿಂಗ್ನಲ್ಲಿ ಕಟಿಂಗ್ ಸ್ಪೀಡ್ ಯುನಿಟ್ ಯಾವುದು?
mm/sec
m/sec
m/min
mm/min
Submit Quiz